Log in
Sign up for FREE
arrow_back
Library

Quiz (Electrostatics)

star
star
star
star
star
Last updated about 6 years ago
22 questions
1
1
1
1
1
1
1
1
1
1
1
1
1
1
1
1
1
1
1
1
1
1
Question 1
1.

Question 2
2.

Question 3
3.

Question 4
4.

Question 5
5.

Question 6
6.

Question 7
7.

Question 8
8.

Question 9
9.

Question 10
10.

Question 11
11.

Question 12
12.

Question 13
13.

Question 14
14.

Question 15
15.

Question 16
16.

A 25.0-V potential source (a battery) is connected across the plates of a 6.66-μF air-filled parallel-plate capacitor having plates that are 1.22 mm apart. What energy density does it produce between the plates? (ε0 = 8.85 x10-12 C2/N∙m2)

Question 17
17.

A network of capacitors is connected across a potential difference V0 as shown in the figure.
(a) What should V0 be so that the 60.0-μF capacitor will have 18.0 μC of charge on each of its plates?
(b) Under the conditions of part (a), how much total energy is stored in this network of capacitors?

Question 18
18.

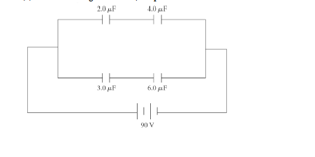
A system of four capacitors is connected across a 90-V voltage source as shown in the figure.
(a) What is the charge on the 4.0-μF capacitor?
(b) What is the charge on the 2.0-μF capacitor?

Question 19
19.

Question 20
20.

Question 21
21.

Question 22
22.

A spherical drop of mercury of radius R has a capacitance given by C=4πε0R if two such drops combine to form a single larger drop, what is its capacitance?

Three charges are arranged as shown. What is the direction of the force acting on the
7.20 uC charge by the other two charges?

41.9°
57.9°
50.0°
173.9°
153.9°
How much kinetic energy does a proton gain if it is accelerated, with no friction, through a potential difference of 1.00 V? The proton is 1836 times heavier than an electron, and e = 1.60 x10-19 C.
A) 1.60 x10-19 eV
B) 1.00 J
C) 1836 J
D) 1.00 eV
E) 1836 eV
A tiny particle with charge + 5.0 μC is initially moving at 55 m/s. It is then accelerated through a potential difference of 500 V. How much kinetic energy does this particle gain during the period of acceleration?
A) 2.5 x 10-3 J
B) 2500 J
C) 100 J
D) 1.0 x104 J
Two 10¢ coins (dimes) carrying identical charges are lying 2.5 m apart on a table. If each of these
coins experiences an electrostatic force of magnitude 2.0 N due to the other coin, how large is the
charge on each coin? (k = 1/4πε0 = 9.0 x109 N ∙ m2/C2)
A) 26 μC
B) 6.7 μC
C) 2.6 μC
D) 52 μC
E) 5.2 μC
5.6 uF
10.6 uF
8.4 uF
20.9 uF
As shown in the figure, three small charges are equally spaced on the arc of a circle that is
centered at the charge Q, where Q = +23 nC and all the other quantities are accurate to two
significant figures. What is the magnitude of the net electric force on the charge Q due to the
other three charges? (k = 1/4πε0 = 9.0 x 109 N ∙ m2/C2)

A) 3.1 x10-4 N
B) 2.6 x10-4 N
C) 2.1 x10-4 N
D) 1.7 x 10-4N
As shown in the figure, the charge Q is midway between two other charges. If Q = -7.5 nC,
what must be the charge q1 so that charge q2 remains stationary as Q and q1 are held in place?

A)30nC
B)15 nC
C)60 nC
D)7.5 nC
Two-point charges q =-8.50 μC are fixed 10.0 cm apart along a horizontal bar, as
shown in the figure. Their electrical forces will be used to balance the weight of a
very small sphere carrying a charge Q =+15.0 μC, 10.0 cm from each of them in a place
where g = 9.80 m/s2. What is the greatest mass M this sphere can have without falling? (k =
1/4πε0 = 8.99 x 109 N ∙ m2/C2)

20.3 Kg
10.3 Kg
5.3 Kg
1.3 Kg
The figure shows two tiny 5.0-g spheres suspended from very light 1.0-m-long threads. The spheres repel each other after each one is given the same positive charge and hang at rest when
θ= 4.1°. What is the charge on each sphere? (k = 1/4πε0 = 9.0 x109 N ∙ m2/C2)


A)180 nC
B)360 nC
C)89 nC
D)45 nC
E)22 nC
A pair of charged conducting plates produces a uniform field of 12,000 N/C, directed to the right, between the plates. The separation of the plates is 40 mm. An electron is projected from plate A, directly toward plate B, with an initial speed of v0 = 2.0 X 107 m/s. What is the speed of the electron as it strikes plate B? (e = 1.6 x 10-19 C, mass of electron = 9.11 X 10-31 kg)

A) 1.5 x 107 m/s
B) 1.8 x 107 m/s
C) 2.1 x 107 m/s
D) 1.2 x107 m/s
E) 2.4 x 107 m/s
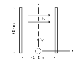
An electron is projected with an initial velocity v0 =8.4 x107 m/s along the y-axis, which is the centerline between a pair of charged plates, as shown in the figure. The plates are 1.0 m long and are separated by 0.10 m. A uniform electric field of magnitude E in the +x-direction is present between the plates. If the magnitude of the acceleration of the electron is measured to be 8.9 x1015 m/s2, what is the magnitude of the electric field
between the plates? (e = 1.6 x10-19 C, mass of electron = 9.11 x10-31 kg)
A) 51,000 N/C
B) 40,000 N/C
C) 45,000 N/C
D) 29,000 N/C
E) 35,000 N/C
Consider a uniform horizontal electric field of 50 N/C directed toward the east. If the electric potential at a given point in the field is 80 V, what is the potential at a point 1.0 m directly south of that point?
A) 50 V
B) 0 V
C) 30 V
D) 80 V
When the potential difference between the plates of an ideal air-filled parallel plate capacitor is 35 V, the electric field between the plates has a strength of 750 V/m. If the plate area is 4.0 x 10-2 m2, what is the capacitance of this capacitor? (ε0 = 8.85 x10-12 C2/N ∙ m2)
A) 7.6 x 10-10 F
B) 7.6 x 10-11 F
C) 7.6 x10-12 F
D) 7.6 x10-14 F
E) None of the other choices is correct.
An ideal air-filled parallel-plate capacitor consists of two circular plates, each of radius 0.30 mm. How far apart should the plates be for the capacitance to be 300.0-pF? (ε0 = 8.85 x10-12 C2/N ∙ m2)
A) 0.0042 μm
B) 0.00094 μm
C) 0.0083 μm
D) 0.00047 μm
When a 6.00-μF air-filled capacitor has a charge of ±40.0 μC on its plates, how much potential energy is stored in this capacitor?
A) 133 μJ
B) 103 μJ
C) 143 μJ
D) 113 μJ
E) 123 μJ
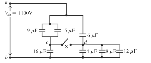
The capacitive network shown in the figure is assembled with initially uncharged capacitors.
Assume that all the quantities in the figure are accurate to two significant figures. The switch S
in the network is kept open throughout. What is the total energy stored in the seven capacitors?

A) 144 mJ
B) 72 mJ
C) 48 mJ
D) 120 mJ
E) 96 mJ
Three capacitors are arranged as shown in the figure, with a voltage source connected across the
combination. C1 has a capacitance of 9.0 pF, C2 has a capacitance of 18.0 pF, and C3 has a
capacitance of 27.0 pF. Find the potential drop across the entire arrangement if the potential
drop across C2 is 257.0 V.

A) 1500 V
B) 470 V
C) 1000 V
D) 430 V
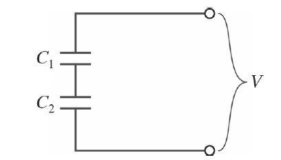
A potential difference of V = 100 V is applied across two capacitors in series, as shown in the
figure. If C1 = 10.0 μF and the voltage drop across it is 75 V, what is the capacitance of C2?

A) 7.5 μF
B) 3.3 μF
C) 30 μF
D) 2.5 μF