Chap 11 - Impedance
star
star
star
star
star
Last updated over 5 years ago
3 questions
1
Determine the Reactance of L1 and L2 (ie XL1 and XL2 )?What is the total Reactance, XLT?
Determine the Reactance of L1 and L2 (ie XL1 and XL2 )?
What is the total Reactance, XLT?
1
Determine XC1 and XC2.Determine the total reactance, X .
Determine XC1 and XC2.
Determine the total reactance, X
.
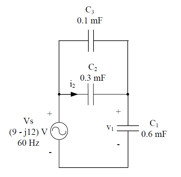
1
What is vS in polar form?Determine the Impedance of ZC1, ZC2, ZC3. What is the impedance of ZC2//ZC3.How to calculate v1 and i2?
What is vS in polar form?
Determine the Impedance of ZC1, ZC2, ZC3.
What is the impedance of ZC2//ZC3.
How to calculate v1 and i2?