Log in
Sign up for FREE
arrow_back
Library

Schematic Diagram Review

star
star
star
star
star
Last updated about 4 years ago
13 questions
6
1
1
1
1
1
1
2
2
2
2
1
3
Schematic diagrams allow us to map out our circuit ideas and communicate the setup of electric circuits.

Use this activity to locate the schematic symbols of various components that are used in circuits.
Question 1
1.

Match the component with its name:

Draggable itemarrow_right_altCorresponding Item
arrow_right_alt
arrow_right_alt
arrow_right_alt
arrow_right_alt
arrow_right_alt
arrow_right_alt
Question 2
2.

Write the name for the component represented by the schematic symbol:

Question 3
3.

What kind of switch is shown below?

Question 4
4.

What kind of switch is shown below?

Question 5
5.

What kind of switch is shown below?

Question 6
6.

What kind of switch is shown below?

Question 7
7.

What kind of switch is shown below?

Question 8
8.

What kind of switch is shown below?

Question 9
9.

Question 10
10.

Question 11
11.

Question 12
12.

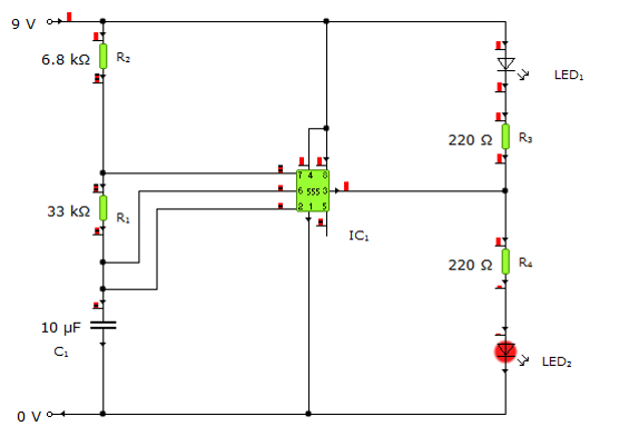
If you were to buld this circuit on a breadboard, you would connect Pins 2 and 6 to each other using a wire.

Question 13
13.

Match the schematic symbol with its component name:

Draggable itemarrow_right_altCorresponding Item
arrow_right_alt
arrow_right_alt
arrow_right_alt
arrow_right_alt
arrow_right_alt
arrow_right_alt
Capacitor
Diode
Integrated Circuit
Light Emitting Diode
Resistor
Potentiometer
Push to make switch
DPDT
SPST
SPDT
Push to break switch
DPST
SPST
SPDT
Push to make switch
DPDT
DPST
Push to break switch
Push to break switch
DPDT
SPDT
DPST
SPST
Push to make switch
Push to break switch
SPDT
Push to make switch
DPDT
SPST
DPST
Push to break switch
SPST
Push to make switch
DPDT
DPST
SPDT
DPDT
SPST
SPDT
Push to make switch
DPST
Push to break switch
Which components in the schematic below are attached to positive of the power supply?
R2
R1
C1
IC1
LED1
LED2
R4
R3
Which components in the schematic below are attached to negative of the power supply?
R2
R1
C1
IC1
LED1
LED2
R4
R3
Which components in the schematic below are connected to Pin 7 of IC1?
R2
R1
C1
IC1
LED1
LED2
R4
R3
Electrolytic capacitor
LED
Transistor
Potentiometer
Diode
Voltage rails