Log in
Sign up for FREE
arrow_back
Library

Kirchhoff's rules cloned 6/18/2021

star
star
star
star
star
Last updated almost 5 years ago
7 questions
1
Question 1
1.

1
1
1
1
1
1
Determine the current I in each of the circuits below
Question 2
2.

Several identical cells are used to connect up circuits. Each cell has e.m.f. 1.5 V. Determine the total e.m.f. for the following combinations of cells.


Question 3
3.

The diagram shows cells of negligible internal resistance connected in a series circuit.
Determine the circuit current I.

Question 4
4.

Use Kirchhoff’s second law to calculate the current I in the circuit shown below.

Question 5
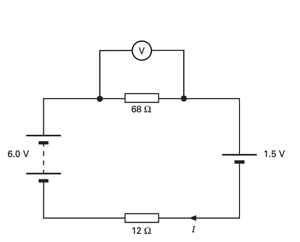
5.

The diagram shows an electrical circuit. The battery and cell in the circuit may be assumed to have negligible internal resistance. Calculate:
a the current in the 12Ω resistor;
b the p.d. across the 68Ω resistor.

Question 6
6.

Use Kirchhoff ’s laws to determine the currents I1, I2 and I3 in the circuit on the right.

Question 7
7.

Determine the values of the current flowing through each of the resistors.