Meter Connection Practice
star
star
star
star
star
Last updated over 3 years ago
14 questions
Note from the author:
Select the letter of the schematic that best meets the condition stated.
Select the letter of the schematic that best meets the condition stated.
Required
1
Select the schematic that shows the correct way to connect a voltmeter when taking a measurement.
Select the schematic that shows the correct way to connect a voltmeter when taking a measurement.
Required
0
Explain why the answer you selected for the previous question is the correct one.
Explain why the answer you selected for the previous question is the correct one.
Required
1
Select the schematic that shows the correct way to connect an ammeter when taking a measurement.
Select the schematic that shows the correct way to connect an ammeter when taking a measurement.
Required
0
Explain why the answer you selected for the previous question is the correct one.
Explain why the answer you selected for the previous question is the correct one.
Required
1
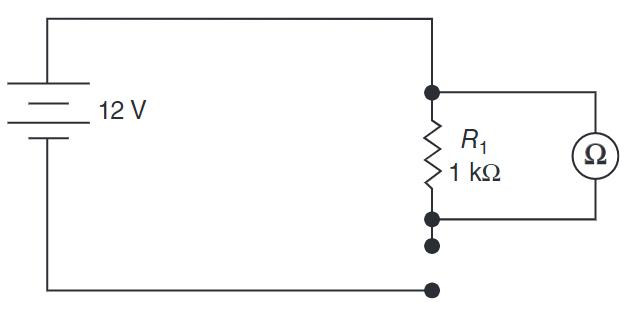
Select the schematic that shows the correct way to connect an ohmmeter when taking a measurement.
Select the schematic that shows the correct way to connect an ohmmeter when taking a measurement.
Required
0
Explain why the answer you selected for the previous question is the correct one.
Explain why the answer you selected for the previous question is the correct one.
Required
1
Which schematic represents an ammeter properly connected to read the current through the resistor?
Which schematic represents an ammeter properly connected to read the current through the resistor?
Required
0
Explain why the answer you selected for the previous question is the correct one.
Explain why the answer you selected for the previous question is the correct one.
Required
1
Which schematic represents a voltmeter properly connected to read the voltage across the resistor?
Which schematic represents a voltmeter properly connected to read the voltage across the resistor?
Required
0
Explain why the answer you selected for the previous question is the correct one.
Explain why the answer you selected for the previous question is the correct one.
Required
1
Which schematic represents an ohmmeter connected properly to read the resistance value of the resistor?
Which schematic represents an ohmmeter connected properly to read the resistance value of the resistor?
Required
0
Explain why the answer you selected for the previous question is the correct one.
Explain why the answer you selected for the previous question is the correct one.
Required
1
Which schematic represents an ammeter connection that will result in damage to the ammeter?
Which schematic represents an ammeter connection that will result in damage to the ammeter?
Required
0
Explain why the answer you selected for the previous question is the correct one.
Explain why the answer you selected for the previous question is the correct one.