Log in
Sign up for FREE
arrow_back
Library

7.G.1 Scale Drawings

star
star
star
star
star
Last updated about 1 month ago
10 questions
10
NC.7.G.1
10
NC.7.G.1
10
NC.7.G.1
10
NC.7.G.1
10
NC.7.G.1
10
NC.7.G.1
10
NC.7.G.1
10
NC.7.G.1
10
NC.7.G.1
10
NC.7.G.1
Question 1
1.
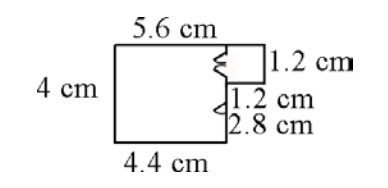
Julie shows the scale drawing of her room below.


If each 2 cm on the scale drawing equals 5 feet, what are the actual dimensions of Julie's room?

4 cm = _______ feet
5.6 cm = _______ feet
1.2 cm = _______ feet
2.8 cm = _______ feet
4.4 cm = _______ feet
Question 2
2.

If the rectangle below is enlarged using a scale factor of 1.5, what will be the perimeter of the new rectangle?

Question 3
3.

If the rectangle below is enlarged using a scale factor of 1.5, what will be the area of the new rectangle?

Question 4
4.


Only 0, 1, 2, 3, 4, 5, 6, 7, 8, 9, ., -, and / are allowed in your answer. Answers that are mixed numbers must be entered as an improper fraction or decimal.

Question 5
5.

On a certain state map, 1/2 inch equals an actual distance of 10 miles. The distance on the map between City R and City M is 5 1/2 inches. What is the actual distance between the two cities?

Question 6
6.

Sally is making a relief map of Indiana. Her map is 6 inches wide and 11.5 inches long. If Indiana is 140 miles wide, what is the approximate length in miles?

Question 7
7.

Question 8
8.

Question 9
9.

Question 10
10.