Use the Go Direct Energy Sensor. Set the switch to internal load = 30 Ω
Measure the Voltage of several kinds of batteries. Write down the voltage.
• Touch the Black wire to the — (negative) terminal
• Touch the Red wire to the +(positive) terminal
Record your findings in the data table.
0.5 points
0.5
Question 2
2.
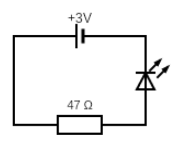
Use an LED (light emitting diode) and a 3V flat battery to make a VERY simple circuit.
What do you notice about where the LED MUST be placed to light up?
0.5 points
0.5
Question 3
3.
Add a 47 Ohm all resistor to the circuit. Check the colors carefully. You have more than one at your station.
Insert a picture of your circuit.
0.5 points
0.5
Question 4
4.
What is a circuit?
0.5 points
0.5
Question 5
5.
Slide the Internal load switch to the left.
Touch the black and red wires from the Energy sensor on either side of each component. Write down the voltage that shows over each part.
a. The resistor
b. The LED
c. The cell
If you get a zero volts reading, flip the position of the black and red wires.
Reference Site for Reading Resistances
To show the important parts of a circuit, a circuit diagram is used. It just shows where each component is. It is not meant to be a realistic/artistic version, but a way of giving clear instructions.
Describe what you think each symbol means.
0.5 points
0.5
Question 6
6.
Describe what you think this symbol means.
0.5 points
0.5
Question 7
7.
Describe what you think this symbol means.
0.5 points
0.5
Question 8
8.
Describe what you think this symbol means.
0.5 points
0.5
Question 9
9.
Describe what you think this symbol means.
0.5 points
0.5
Question 10
10.
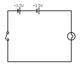
Test another 1.5 V cell to make sure that it’s charged (it should read 1.2 volts or more)
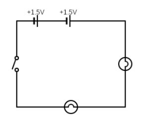
Replace your flat 3V cell with a two-cell battery pack. Make a circuit with a regular bulb, two 1.5 v cells and a switch.
Insert a picture of your circuit.
0.5 points
0.5
Question 11
11.
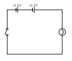
Identify the switch in the circuit diagram.
0.5 points
0.5
Question 12
12.
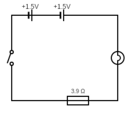
Add a 3.9 Ohm resistor to your circuit.
When it’s ready, insert a picture of it.
0.5 points
0.5
Question 13
13.
How has the bulb’s brightness changed?
0.5 points
0.5
Question 14
14.
Try placing the resistor in different places in the circuit. Does it appear to change the bulb brightness in different locations?
0.5 points
0.5
Question 15
15.
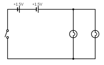
Now put two bulbs side-by-side in a circuit, with no resistor.
Insert a picture of your circuit.
0.5 points
0.5
Question 16
16.
Use the energy sensor to measure the voltage over each bulb, separately.
(you may need to switch back to the 30 Ω setting.
Voltage over Bulb 1=_______
Voltage over Bulb 2=_______
0.5 points
0.5
Question 17
17.
How has the bulb’s brightness changed with this set up?
0.5 points
0.5
Question 18
18.
Change the way that the bulbs are connected so that they are set up one after the other.
Insert a picture of your circuit.
0.5 points
0.5
Question 19
19.
How has the bulb’s brightness changed with this set up?
0.5 points
0.5
Question 20
20.
Give two examples from this experiment of one type of energy being changed into another type.