Log in
Sign up for FREE
arrow_back
Library

11.3 Capacitance

star
star
star
star
star
Last updated about 3 years ago
15 questions
Untitled Section
1
1
1
1
Untitled Section
1
1
Series and Parallel
1
1
1
Energy stored in a capacitor
1
1
1
Untitled Section
1
1
1
A parallel plate capacitor has plates of area 0.880 m2, separated by a distance of 4.00 mm in a vacuum. It is connected to a dc source of potential difference 6.00 kV. Calculate: a the capacitance of the capacitor b the charge on one of the plates
c the electric field between the plates d the charge per unit area on one of the plates.
Question 1
1.

a the capacitance of the capacitor ( answer in nF)

Question 2
2.

b the charge on one of the plates

Question 3
3.

c the electric field between the plates

Question 4
4.

d the charge per unit area on one of the plates.

Question 5
5.

A parallel plate capacitor in a vacuum has a capacitance of 1.0 F. The plates are separated by a distance of 1 cm. Calculate the area of one of the capacitor plates. Comment on your answer.

Question 6
6.

Calculate the charge on one of the plates of a parallel plate capacitor of area 0.25m2.The plates are separated by a distance of 8.0 mm, in a vacuum.The potential difference across the plates is 24 V. ( answer in nC)

Question 7
7.

Two capacitors of capacitance 12pF and 4.0pF are connected in parallel to a source of potential difference 9.0 V. Calculate the charge on each capacitor. ( answer in pC)

Question 8
8.

Two capacitors of capacitance 12pF and 4.0pF are connected in series to a source of potential difference 6.0 V. Calculate the charge and potential difference on the 12 pF capacitor

Question 9
9.

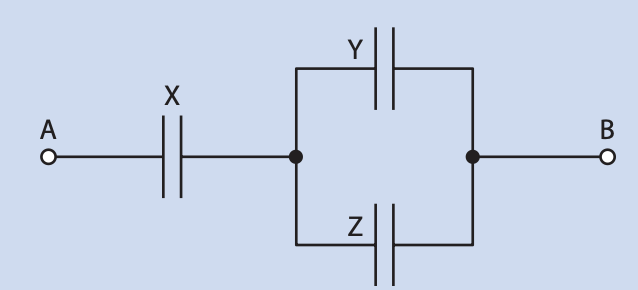
Find the charge on and potential difference across each capacitor in the figure when points A and B are connected to a battery of emf 12V.The capacitors all have a capacitance of 12pF.

Question 10
10.

The figure shows two capacitors connected in a circuit.
The first capacitor has capacitance 3.20μF and has been charged by connecting it to a source of emf 12.0V.The other capacitor has capacitance 9.25μF and is initially uncharged.

When the switch is closed charge will move from one capacitor to the other. a Calculate the charge and potential difference for each capacitor after the switch is closed and charge no longer moves.

Question 11
11.

b Compare the energy stored before the switch is closed with that stored after the switch is closed.

Question 12
12.

c Comment on the answer to b.

Question 13
13.

A capacitor in a vacuum has capacitance 6.00pF and has been charged by a battery of emf 12.0V. a For the capacitor in vacuum, calculate the energy stored in the electric field. ( answer in pJ)

Question 14
14.

The battery is removed. A dielectric with ε = 6ε0 is now inserted in between the plates of the capacitor.
b Calculate the energy stored now.

Question 15
15.

c Compare the energies in a and b.