Log in
Sign up for FREE
arrow_back
Library

Electrodynamics and Electric circuits (part)

star
star
star
star
star
Last updated about 1 year ago
10 questions
1
1
1
1
Question 1
1.

The diagrams show a current-carrying wire with an arrow in the direction of the current. Which diagram shows the magnetic field produced by the current?

A student investigates electromagnetic induction. She moves the N pole of a magnet quickly towards a coil of wire. There is a reading on the galvanometer.

Question 2
2.

A student investigates electromagnetic induction. She moves the N pole of a magnet quickly towards a coil of wire. There is a reading on the galvanometer.
What can she do to get a bigger reading?

Question 3
3.

This magnet is removed from the coil.
Which option is correct?

In the experiment below, the effect on a current-carrying conductor in an external magnetic field is studied.

The conductor experiences a force upwards and moves in the direction of the arrow.
1
Question 4
4.

What is the direction of the current?

1
Question 6
6.

Consider the following circuit. The battery has negligible internal resistance.

1
Question 7
7.

When the switch is closed, what happens to the total resistance in the circuit?

1
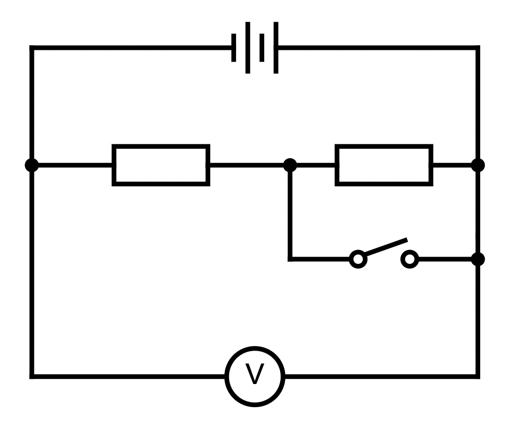
Consider the following circuit. The battery has negligible internal resistance. You can assume the resistors are identical.

1
Question 9
9.

When the switch is closed, what happens to the total resistance in the circuit?

1
Question 5
5.

What is the polarity of the magnet?

decreases
remains the same
Question 8
8.

When the switch is closed, the reading on the voltmeter will ....

decreases
remains the same
Question 10
10.

When the switch is closed, what happens to the reading on the ammeter?